Home
Download PDF
Order CD-ROM
Order in Print
DESCRIPTION AND USABLE ON CODES(UOC) - TM-9-2350-238-24P-1_295
DESCRIPTION AND USABLE ON CODES(UOC) - TM-9-2350-238-24P-1_297
TM-9-2350-238-24P-1 Vehicle Combat Engineer Full Tracked: M728 (2350-00-795-1797) Manual
Page Navigation
281
282
283
284
285
286
287
288
289
290
291
S E C T I O N II
T M
9 - 2 3 5 0 - 2 3 8 - 2 4 P -1
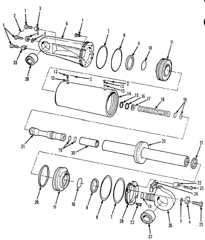
F i g u r e 1 3 6 . H y d r a u l i c S u s p e n s i o n L o c k o u t C y l i n d e r A s s e m b l y 1 2 2 5 4 1 5 6.