TM 9-2350-256-34
0053 00
5.
Remove block supporting mechanical transmission and main hydraulic pump assembly and move back into position.
6.
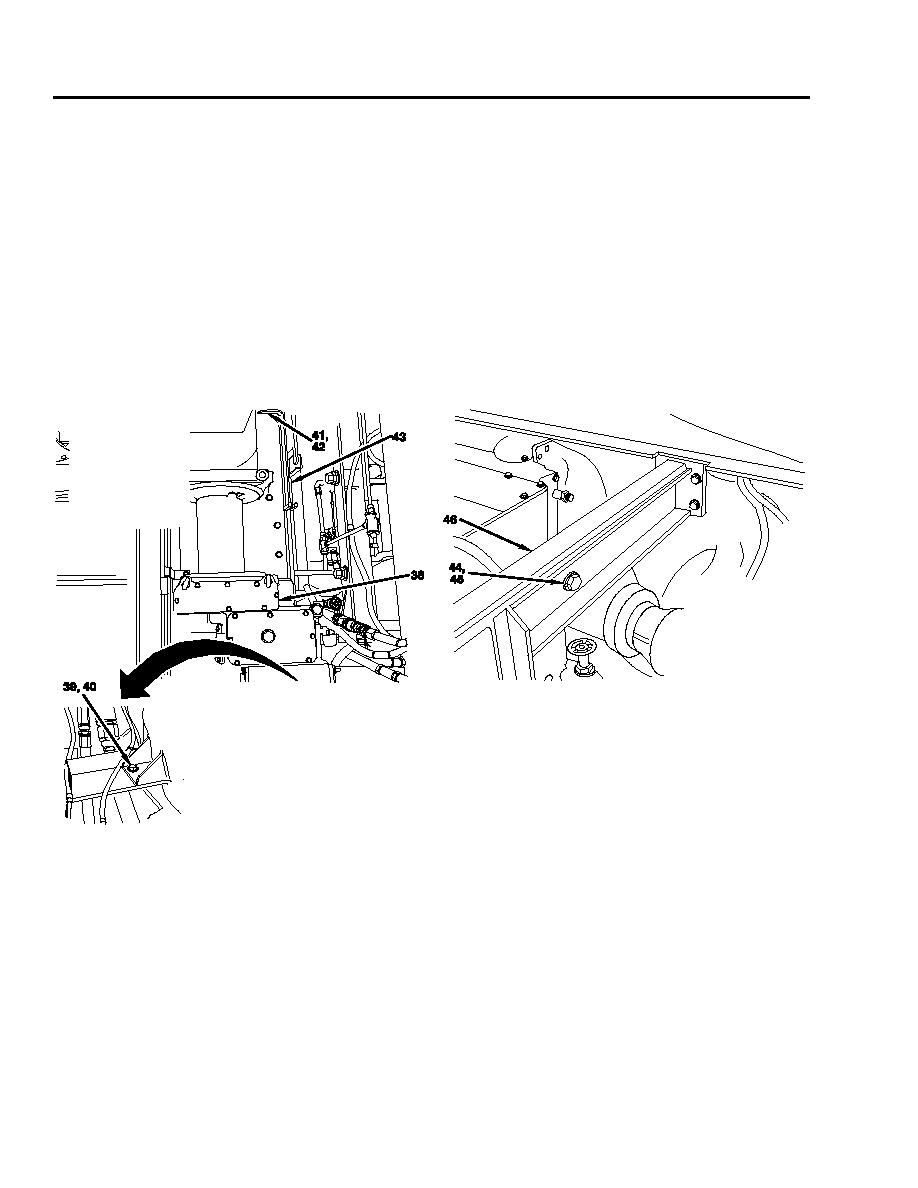
Install two screws securing mechanical transmission and main hydraulic pump assembly to cross support beam (46).
7.
Install two lockwashers (45) and screws (44) securing hoist winch assembly (38) to cross support beam (46).
NOTE
Steps 8 thru 10 is the alternate method of moving and securing the hoist winch assembly (38) into
position.
8.
Move hoist winch assembly (38) rearward to clear cross support beam (46) and then lower hoist winch assembly into
position. Continue to support weight of hoist winch assembly with sling.
9.
Install two lockwashers (45) and screws (44) securing hoist winch assembly (38) to cross support beam (46).
10. Lift front support (43) into position and install two lockwashers (hidden) (42), screws (hidden) (41), lockwashers (40), and
screws (39).
0053 00-10