Home
Download PDF
Order CD-ROM
Order in Print
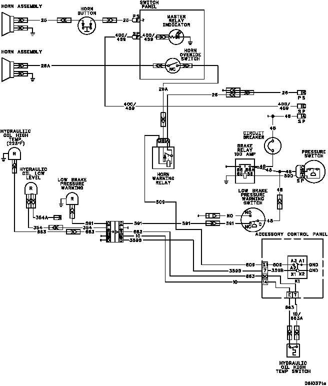
WARNING SYSTEM OVERVIEW AND DIAGRAMS (cont) - TM-9-2350-292-20-1_742
SYSTEM WARNING LIGHT DOES NOT LIGHT WHEN MASTER SWITCH IS ON OR WHEN MAIN ENGINE OIL PRESSURE IS BELOW OPERATING LEVEL
TM-9-2350-292-20-1 Carrier Ammunition Tracked M992A1(NSN 2360-01-362-3021) EIC:AE6 Manual
Page Navigation
694
695
696
697
698
699
700
701
702
703
704
TM 9--2350--292--20--1
WARNING SYSTEM OVERVIEW AND DIAGRAMS -- CONTINUED
0165 00
END OF TASK
0165 00--3/4 blank