TM 9--2350--292--20--2
0691 00--9
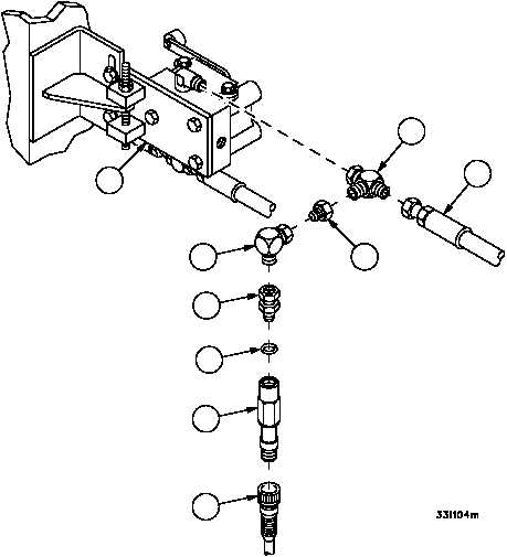
LEFT AND RIGHT SIDE BOOM LIMIT VALVE TRANSDUCER, SWITCHES AND
ASSOCIATED PARTS REPLACEMENT -- CONTINUED
0691 00
Installation--Continued
11. Install preformed packing (17) on straight swivel adapter (12).
12. Install tee (15), reducer (16) and elbow (13) on right side boom limit valve (8).
13. Install hose (14) on tee (15).
14. Install straight swivel adapter (12) on switch 3S511 (11) then install switch 3S511 (11) with straight swivel adapter
(12) on elbow (13).
15. Install wiring harness 3W501 connector P3 (10) on switch 3S511 (11).
10
11
12
13
15
14
16
8
17