TM 9--2350--292--20--2
0533 00--2
PERSONNEL HEATER FUEL PUMP REPLACEMENT -- CONTINUED
0533 00
Removal--Continued
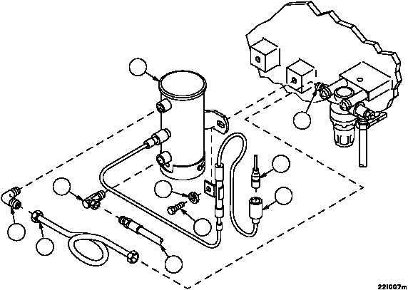
3. Disconnect electrical wiring harness 4W124 lead 402 (5) from fuel pump electrical lead (6).
4. Place suitable container under fuel tube (7) to catch spilled fuel.
5. Disconnect fuel tube (7) from elbow (8) and adapter (9).
6. Remove elbow (8) from fuel pump (10).
7. Disconnect hose assembly (11) from elbow (12), remove elbow (12) from fuel pump (10).
8. Remove two screws (13), two lockwashers (14) and fuel pump (10) from hull. Discard lockwashers.
9. Inspect parts for damage and replace as required.
Installation
1. Install fuel pump (10) in hull with two screws (13) and two new lockwashers (14).
2. Apply sealing compound to all pipe threads prior to installation.
3. Install elbow (12) on fuel pump (10), connect hose assembly (11) to elbow (12).
4. Install elbow (8) on fuel pump (10), connect fuel tube (7) to elbow (8) and adapter (9).
5. Connect electrical wiring harness 4W124 lead 402 (5) to fuel pump electrical lead (6).
Figure 287
5
6
7
8
10
12
14
13
11
9