Home
Download PDF
Order CD-ROM
Order in Print
INSTALLATION - TM-9-2350-256-20_1019
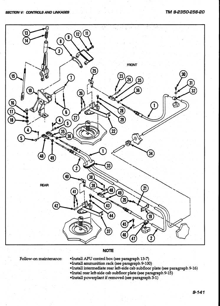
REPLACE DRAIN COVERS
TM-9-2350-256-20 Carrier Cargo Tracked 6-Ton M548A1 (2350-01-096-9356) M548A3 2350-01-369-6081 Manual
Page Navigation
1002
1003
1004
1005
1006
1007
1008
1009
1010
1011
1012