TM 9--2350--292--20--1
0049 00--4
ENGINE HAS LOW STALL RPM AND DOES NOT DEVELOP FULL POWER,
BUT EXHAUST SMOKE IS NORMAL
0049 00
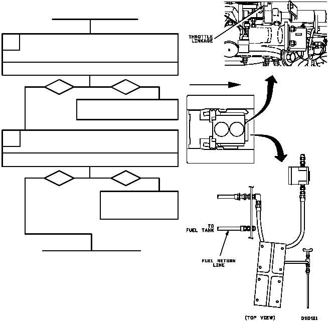
Does linkage have full travel?
Move accelerator to full throttle position
(TM 9--2350--292--10) and observe linkage on
front of engine.
no
yes
Is fuel return line properly connected?
Check fuel return line to fuel tank on front of
engine for proper connection.
Adjust linkage (WP 0227 00).
Verify fault is corrected.
no
yes
Properly connect line
(WP 0217 00). Verify
fault is corrected.
CONTINUED ON NEXT PAGE
I
J
FORWARD
CONTINUED FROM STEP A