TM 9--2350--292--20--1
0106 00--3
FUEL TRANSFER PUMP FAILS TO OPERATE -- CONTINUED
0106 00
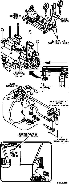
Is refuel pressure at CYL1 1650--1750 psi; is defuel
pressure at CYL2 1650--1750 psi and is CYL1 less than
75 psi in defuel and CYL2 less than 75 psi in refuel?
1. Disconnect hoses from refuel pump motor and plug
hoses.
2. Install 0--4000 psi testing gauge in refuel pump
motor port CYL1 and install 0--4000 psi assembly
gauge in refuel pump motor port CYL2.
3. Start APU (TM 9--2350--292--10).
4. Place flow control valve to setting 0.5 and place
system selector valve to FT position.
5. Place refuel/defuel control valve to refuel position
and record gauge pressures.
6. Place refuel/defuel control valve to defuel position
and record gauge pressures.
7. Shut down APU (TM 9--2350--292--10).
F
G
Inspect hose from refuel/defuel control valve for
leaks, restrictions, and damage.
Is hose free of leaks, restrictions, and damage?
CONTINUED FROM STEP E
no
yes
Replace transfer pump
(WP 0203 00). Verify
fault is corrected.
yes
no
Tighten leaking con-
nections and remove
restrictions. If restric-
tion cannot be removed
or if hose and/or con-
nections are damaged,
replace (WP 0217 00).
Verify fault is corrected.
Replace control valve
(WP 0555 00). Verify
fault is corrected.
CONTINUED ON NEXT PAGE
FORWARD
WARNING