TM 9--2350--292--20--2
0625 00--9
AUXILIARY POWER UNIT ENGINE HEAT SHIELDS REPLACEMENT (HATZ) --
CONTINUED
0625 00
Installation--Continued
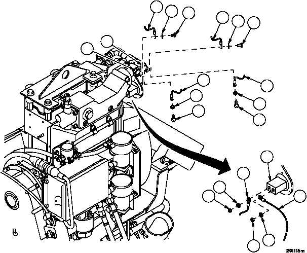
12. Install wiring harness 3W711 leads 233A (31) and GND E11 (32) on thermostatic switch S1 (33) with two screws
(29) and two lockwashers (30).
13. Install wiring harness 3W711 leads 233B (26) and GND E9 (27) on thermostatic switch S2 (28) with two screws
(24) and two lockwashers (25).
14. Install wiring harness 3W730 leads 658 and GND (21 and 22) on hourmeter (23) with two nuts (19) and two lock-
washers (20).
20
20
23
22
21
24
25
30
29
27
26
25
24
31
30
29
33
28
32
19
19