TM 9--2350--292--20--1
TURN SIGNAL LAMP ASSEMBLY REPAIR -- CONTINUED
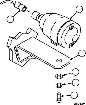
0278 00
Installation
1. Install turn signal lamp assembly (2) on mounting bracket (6) with screw (3), new lockwasher (4) and flat washer
(5).
2. Connect wiring harness 4W127 wire 460 or 461 (1) to turn signal lamp assembly (2).
Figure 88
1
2
3
4
5
6
NOTE
FOLLOW--ON MAINTENANCE:
Connect battery power (WP 0256 00)
END OF TASK
0278 00--3/4 blank