TM 9--2350--292--20--2
0588 00--4
AUXILIARY POWER UNIT (APU) GROUND HOP KIT -- CONTINUED
0588 00
Removal--Continued
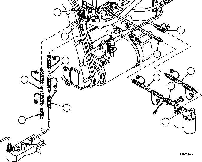
5. Disconnect fuel hose (19) -- 11671580--2 from APU fuel supply hose (20) and fuel filter inlet connection (21).
6. Disconnect fuel hose (16) -- 11671580--1 from APU fuel supply hose (17) and fuel filter outlet connection (18).
7. Disconnect fuel hose (13) -- 11671580--2 from APU fuel return connection (14) and fuel hose assembly (15) --
11671065--15.
8. Disconnect fuel hose (10) -- 11671580--1 from APU primary pump connection (11) and fuel hose assembly (12) --
10867357.
Figure 388
11
20
17
10
13
12
15
16
18
19
21
14