TM 9--2350--292--20--2
0361 00--4
HYDRAULIC BRAKE HOSE ASSEMBLY, BLEED VALVE MANIFOLD AND
ASSOCIATED PARTS REPLACEMENT (NEW CONFIGURATION)
-- CONTINUED
0361 00
Removal--Continued
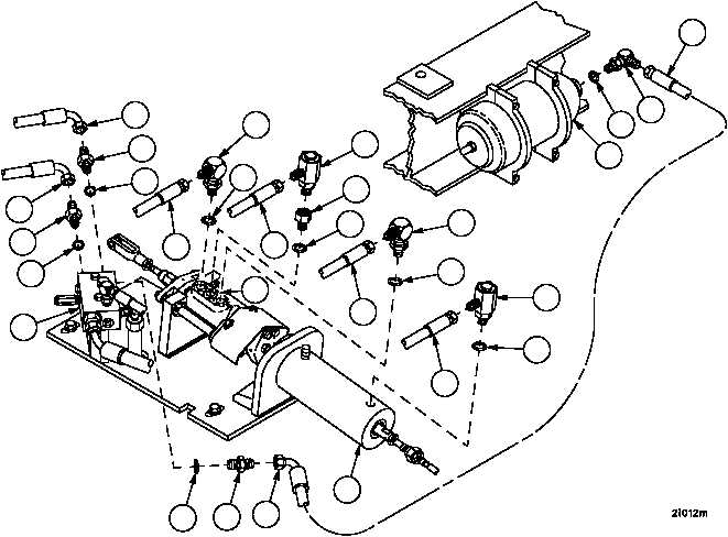
5. Remove one end of hose assembly (14), adapter (15) and preformed packing (16) from port ACC of power boost
manifold (11). Discard preformed packing.
6. Remove other end of hose assembly (14), adapter (17) and preformed packing (18) from accumulator (19). Dis-
card preformed packing.
7. Remove one end of hose assembly (20), adapter (21) and preformed packing (22) from hydraulic cylinder (23).
Discard preformed packing.
8. Remove other end of hose assembly (20), adapter (21) and preformed packing (22) from hydraulic cylinder (23).
Discard preformed packing.
9. Remove one end of hose assembly (28), adapter (29) and preformed packing (30) from port RIN of power boost
manifold (11). Discard preformed packing.
10. Remove other end of hose assembly (28), adapter (31) and preformed packing (32) from port T of modulating
valve (27). Discard preformed packing.
11. Remove one end of hose assembly (33), adapter (34) and preformed packing (35) from port POUT of power
boost manifold (11). Discard preformed packing.
12. Remove other end of hose assembly (33), adapter (36) and preformed packing (37) from port P of modulating
valve (27). Discard preformed packing.
Figure 167
14
15
16
20
21
22
32
31
28
20
24
25
26
33
36
37
33
34
35
28
29
30
18
17
14
19
27
11
23
b