TM 9--2350--292--20--1
0239 00--2
APU VOLTAGE REGULATOR, MAIN ENGINE VOLTAGE REGULATOR, LEAD
ASSEMBLY 3W193 AND RELATED COMPONENTS REPLACEMENT --
CONTINUED
0239 00
Removal
WARNING
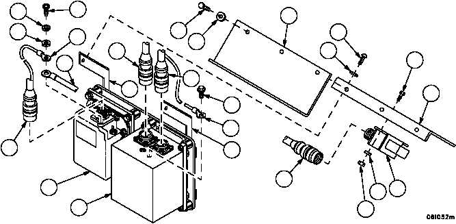
1. Remove three screws (1), three flat washers (2) and cover (3) from cover (4).
2. Disconnect wiring harness 3W180 connector P3 (5) from relay (6).
3. Remove two screws (7), two lockwashers (8), two nuts (9) and relay (6) from cover (4). Discard lockwashers.
4. Remove assembled--washer screw (10) and wiring harness 3W710 wire GND (11) from APU voltage regulator
(12). Discard screw.
5. Disconnect wiring harness 3W710 connector P1 (13) from APU voltage regulator (12).
6. Disconnect wiring harness 3W702 connector P2 (14) from APU voltage regulator (12).
7. Remove screw (15), lockwasher (16), flat washer (17), lead assembly 3W193 (18) and wiring harness 3W180 wire
GND (19) from main engine voltage regulator (20). Discard lockwasher.
8. Disconnect wiring harness 3W180 connector P1 (21) from main engine voltage regulator (20).
9. Remove four screws (22), four lockwashers (23) and cover (4) from two angle brackets (24). Discard lockwashers.
Figure 45
1
2
3
4
5
6
7
8
9
10
11
12
13
14
15
16
18
19
20
22
23
24
24
21
17