TM 9--2350--292--20--1
0239 00--4
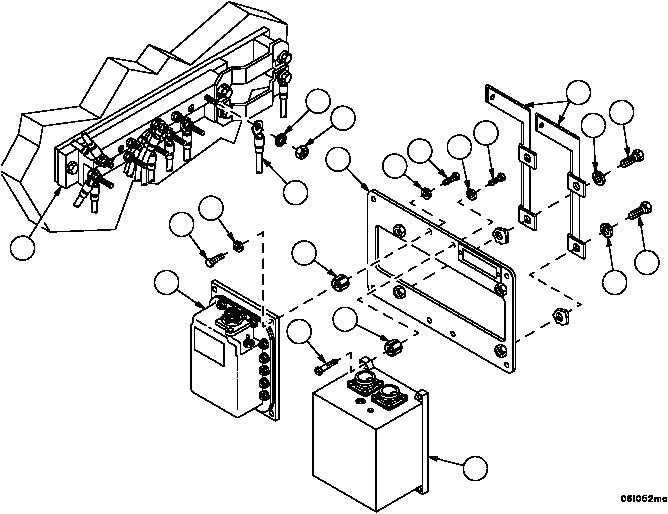
APU VOLTAGE REGULATOR, MAIN ENGINE VOLTAGE REGULATOR, LEAD
ASSEMBLY 3W193 AND RELATED COMPONENTS REPLACEMENT --
CONTINUED
0239 00
Installation
1. Install lead assembly 3W193 (18) on negative bus bar (37) with nut (35) and new lockwasher (36).
2. Install four insulators (26) and four insulators (29) on mounting plate (32) with eight screws (33) and eight new
lockwashers (34).
3. Install mounting plate (32) and two angle brackets (24) on vehicle with four screws (30) and four new lockwashers
(31).
4. Install main engine voltage regulator (20) on four insulators (29) with four screws (27) and four new lockwashers
(28).
5. Install APU voltage regulator (12) on four insulators (26) with four screws (25).
Figure 45
25
12
26
27
28
20
29
30
30
31
31
24
32
34
33
34
33
37
18
35
36