TM 9--2350--292--20--1
0187 00--95
0187 00
PREVENTIVE MAINTENANCE CHECKS AND SERVICES INCLUDING
LUBRICATION INSTRUCTIONS -- CONTINUED
TABLE 3 PREVENTIVE MAINTENANCE CHECKS AND SERVICES
INCLUDING LUBRICATION INSTRUCTIONS, SEMIANNUALLY -- CONTINUED
ITEM
NO.
NOT FULLY
MISSION
CAPABLE
IF:
PROCEDURE
LOCATION
ITEM TO
CHECK/
SERVICE
INTERVAL
SEMIANNUALLY
INTERIOR
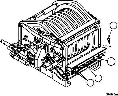
14
Main Winch --
Continued
v. Remove two thumbscrews (16) and
raise diamondscrew cover (17).
LUBRICANTS/
COMPONENTS
REFILL
CAPACITY
EXPECTED TEMPERATURE*
+40°F to --10°F
(+4°C to --23°C)
Above +32°F
(Above 0°C)
0°F to --65°F
(--17°C to --54°C)
GREASE:
Automotive and
Artillery Grease,
(GAA),
MIL--G--10924
As
Required
*For Arctic Operation, refer to FM 9--207
ALL TEMPERATURES
w. Lubricate diamond screw (18) through
two fittings (19) with GAA until grease is
visible.
x. Operate main winch
(TM 9--2350--292--10) to exercise
diamond screw (18) until a coating of
grease is distributed evenly over the
diamond screw (18). Repeat lubrication
as required.
y. Close diamond screw cover (17) and
secure with two thumbscrews (16).
Clogged,
damaged or
missing
grease
fittings.
Diamond
screw is not
properly
lubricated.
16
17
18
19