TM 9--2350--292--20--2
0623 00--1
AUXILIARY POWER UNIT ENGINE DUCT REPLACEMENT (HATZ)
0623 00
THIS WORK PACKAGE COVERS:
Removal, Installation
INITIAL SETUP:
Tools and Special Tools
General mechanics tool kit (item 1, WP 0717 00)
Materials/Parts
Sealant (item 16, WP 0716 00)
Lockwashers (7) (item 9, WP 0718 00)
Non--electrical wire (item 101, WP 0716 00)
Gasket (item 57, WP 0718 00)
Equipment Conditions
APU removed from vehicle (WP 0587 00)
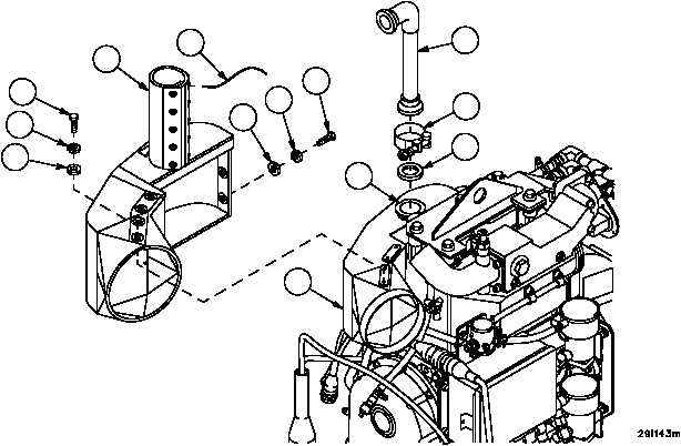
Removal
1. Remove lacing wire (1) from thermal cover (2). Discard lacing wiring.
2. Loosen clamp (3), remove elbow (4), gasket (5) and clamp (3) from stub assembly (6). Discard gasket.
3. Remove seven screws (7), seven lockwashers (8), seven flat washers (9) and thermal cover (2) from heat duct
(10). Discard lockwashers.
1
2
6
10
7
8
9
7
8
9
4
3
5