TM 9--2350--292--20--2
AUXILIARY POWER UNIT HOT AIR PIPE REPLACEMENT (HATZ)
0628 00
THIS WORK PACKAGE COVERS:
Removal, Installation
INITIAL SETUP:
Tools and Special Tools
General mechanics tool kit (item 1, WP 0717 00)
Equipment Conditions
APU lower fuel pump removed (WP 0616 00)
Removal
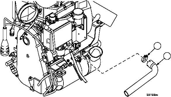
1. Loosen clamp (1) and remove hot air pipe (2) and clamp (1) from APU. Remove clamp (1) from hot air pipe (2).
2. Inspect parts for damage and replace as required.
Installation
Install clamp (1) on hot air pipe (2), then install hot air pipe (2) on APU. Tighten clamp (1).
2
1
NOTE
FOLLOW--ON MAINTENANCE:
Install APU lower fuel pump (WP 0616 00)
END OF TASK
0628 00--1/2 blank