TM 9--2350--292--20--2
0640 00--2
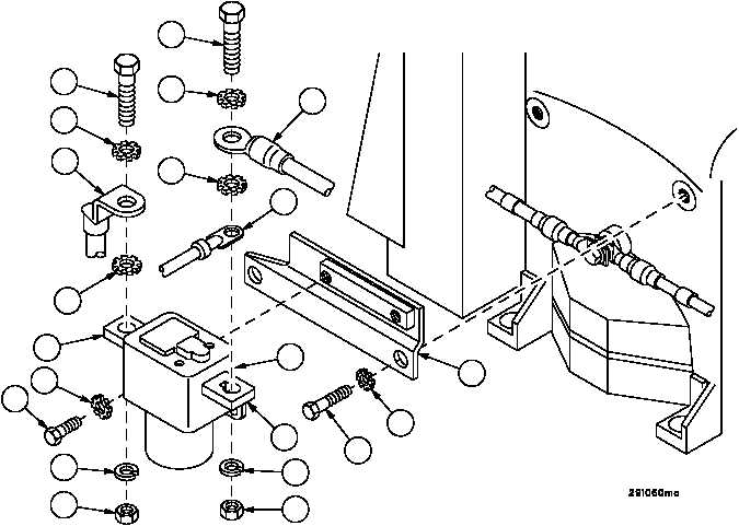
AUXILIARY POWER UNIT RELAY AND MOUNTING BRACKET
REPLACEMENT -- CONTINUED
0640 00
Removal--Continued
3. Remove screw (11), two lockwashers (12), lockwasher (13), nut (14) and lead assembly 3W706 (15) from relay
terminal A1 (16). Discard lockwashers.
4. Remove screw (17), two lockwashers (18), lockwasher (19), nut (20), wiring harness 3W711 wire 66 (21) and wire
N (22) from relay terminal A2 (23). Discard lockwashers.
5. Remove two screws (24), two lockwashers (25) and relay (26) from mounting bracket (27).
NOTE
Perform the following step only if necessary to replace
the relay mounting bracket.
6. Remove two screws (28), two lockwashers (29) and mounting bracket (27) from the APU assembly. Discard lock-
washers.
7. Inspect parts for damage and replace as required.
Figure 345
11
12
12
13
14
23
24
25
26
27
28
29
15
16
20
19
22
18
21
18
17