TM 9--2350--292--20--2
0452 00--2
DRAIN VALVES, CONTROLS AND RELATED PARTS REPLACEMENT--
CONTINUED
0452 00
Removal--Continued
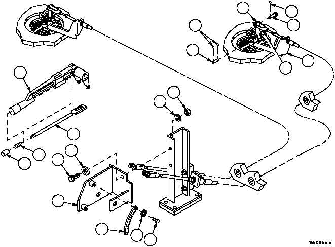
3. Remove two screws (7), two lockwashers (8), detent plate (9) and lever (4) from support (10). Discard lockwashers.
4. Remove push button (11), spring (12) and rod and pawl assembly (13) from lever (4).
5. Remove two screws (14), two flat washers (15), two lockwashers (16), two nuts (17) and support (10) from driver
seat support. Discard lockwashers.
6. Remove cotter pin (18) and straight headed pin (19) securing cable clevis (20) to lever (21). Discard cotter pin.
7. Remove two cotter pins (22), pin (23) and lever (21) from bracket assembly (24). Discard cotter pins.
Figure 230
4
22
23
21
18
19
20
24
FRONT DRAIN VALVE
7
8
9
11
12
13
10
14
15
16
17
FRONT
BULKHEAD
REAR
BULKHEAD