TM 9--2350--292--20--2
0452 00--7
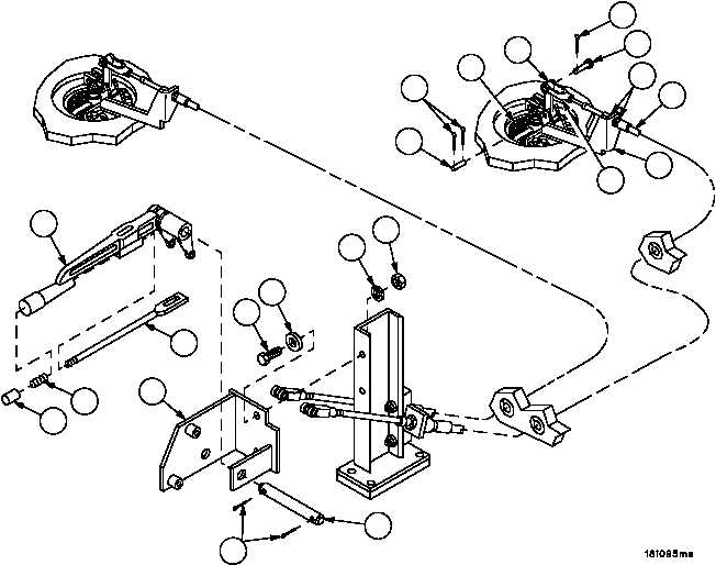
DRAIN VALVES, CONTROLS AND RELATED PARTS REPLACEMENT--
CONTINUED
0452 00
Installation--Continued
13. Install lever (21) on bracket assembly (24) with pin (23) and two new cotter pins (22).
14. Connect cable clevis (20) to lever (21) with straight headed pin (19) and new cotter pin (18).
15. Loosen two cable nuts (28) at bracket assembly (24) and adjust control assembly (29) until drain valve assembly
(27) is fully closed.
16. Tighten two cable nuts (28) on bracket assembly (24).
17. Install support (10) on drivers seat support with two screws (14), two flat washers (15), two new lockwashers (16)
and two nuts (17).
18. Install spring (12), rod and pawl assembly (13) and push button (11) in lever (4).
19. Install lever (4) on support (10) with pin (6) and two new cotter pins (5).
Figure 230
4
FRONT DRAIN VALVE
11
12
13
10
14
15
16
17
5
6
FRONT
BULKHEAD
REAR
BULKHEAD
22
23
21
18
19
20
24
28
29
27