TM 9--2350--292--20--2
0358 00--2
NEUTRAL SAFETY SWITCH, STEERING CONTROL LOCK AND BRAKE
LOCK ADJUSTMENT (OLD CONFIGURATION) -- CONTINUED
0358 00
Adjustment--Continued
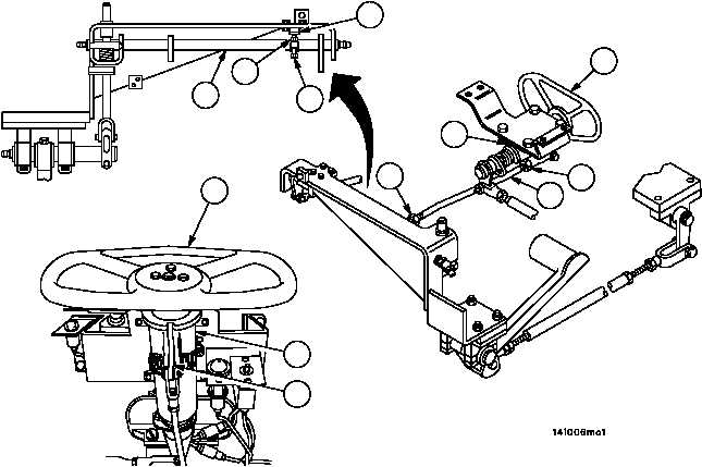
7. Check to see if steering control lock (5) engages recess in steering control (6) when steering wheel (7) is centered
and shift control lever is in PARK.
8. If steering control lock (5) does not engage, loosen two nuts (8) on linkage rod (9) and adjust linkage rod (9) until
steering control lock (5) engages recess in steering control (6). Tighten two nuts (8).
9. Check adjustment screw (10) on lever assembly (11) for contact with neutral safety switch (12).
10. If adjustment screw (10) does not contact neutral safety switch (12), loosen nut (13) and turn adjustment screw
(10) until it contacts neutral safety switch (12). Tighten nut (13).
Figure 192
12
13
10
11
7
6
8
8
9
7
6
5
NOTE
FOLLOW--ON MAINTENANCE:
Lock brakes (TM 9--2350--292--10)
Install subfloor plate #6 (WP 0454 00)
END OF TASK