TM 9--2350--292--20--1
0071 00--10
SIGNALS FROM SENSOR IS BELOW ITS VALID RANGE, INDICATES BOTH
CIRCUITS ARE OPEN, IS ABOVE ITS VALID RANGE, INDICATES CIRCUITS
ARE CLOSED, OR WAS NOT PROCESSED CORRECTLY -- CONTINUED
0071 00
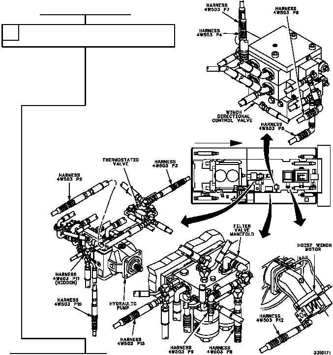
2. Disconnect wiring harness 4W503 from sensor
that is failing (WP 0679 00).
I
CONTINUED ON NEXT PAGE
CONTINUED FROM STEP I
FORWARD