TM 9--2350--292--20--1
FIXED SPOTLIGHT FAILS TO OPERATE -- CONTINUED
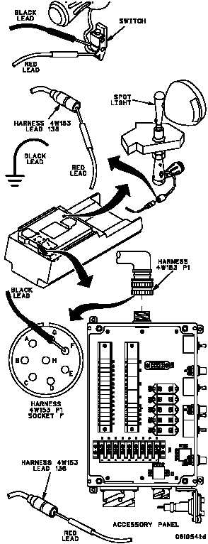
0112 00
F
Place one multimeter on black wire contact at
switch and the other multimeter on switch ground
lead (push switch several times) while checking for
continuity.
Is continuity present?
no
yes
Is 24 V dc present?
1. Turn MASTER switch ON
(TM 9--2350--292--10).
2. Place multimeter red lead in lead 138 spotlight
connector socket and black lead to ground.
Check for voltage.
3. Turn MASTER switch OFF
(TM 9--2350--292--10).
no
yes
G
H
1. Disconnect harness 4W153 P1 from accessory
panel.
2. Place one multimeter lead in harness 4W153
lead 138 spotlight connector and other lead in
harness 4W153 P1 socket F. Check for
continuity.
Is continuity present?
Repair or replace
spotlight (WP 0281 00).
Verify fault is corrected.
no
yes
Repair (WP 0290 00) or
replace (WP 0244 00)
lead 38--138 in acces-
sory panel. Verify fault
is corrected.
Repair (WP 0290 00) or
replace (WP 0327 00)
harness 4W153. Verify
fault is corrected.
Replace handle
assembly (WP 0281 00).
Verify fault is corrected.
CONTINUED FROM STEP E
END OF TASK
0112 00--3/4 blank