TM 9--2350--292--20--2
0366 00--1
BRAKE SHAFT ASSEMBLY 12364824 AND BRAKE PEDAL RETURN SPRING
REPLACEMENT (OLD CONFIGURATION)
0366 00
THIS WORK PACKAGE COVERS:
Removal, Installation
INITIAL SETUP:
Tools and Special Tools
General mechanics tool kit (item 1, WP 0717 00)
Retaining pliers set (item 15, WP 0717 00)
Materials/Parts
Lockwasher (item 10, WP 0718 00)
Lockwashers (4) (item 12, WP 0718 00)
Cotter pins (2) (item 17, WP 0718 00)
Lubricant (item 3, WP 0716 00)
Retaining rings (2) (item 354, WP 0718 00)
Equipment Conditions
Vehicle parked on a level surface with tracks blocked
and brakes released (TM 9--2350--292--10)
Subfloor plates #6, #13 and #16 removed
(WP 0454 00)
For access to shaft 12364824
References
TM 9--2350--292--10
Removal
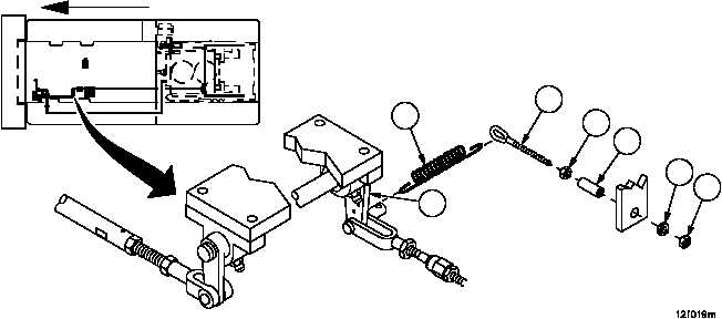
WARNING
Spring is under tension. Do not let spring fly when re-
moving eyebolt. Personnel injury may result from flying
spring.
1. While holding spring (1), remove nut (2), lockwasher (3) and tube support (4) from eyebolt (5). Discard lockwasher.
2. Disconnect spring (1) from lever (6).
3. Remove nut (7) and eyebolt (5) from spring (1).
Figure 170
FORWARD
1
2
3
7
4
5
6