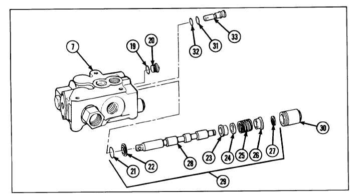
TM 9-2350-238-34-2
7 Install new preformed packing (19) on
11 Install spool assembly (29) and spool cap
plug valve (20).
(30) in body (7).
12 Install new backup ring (31) and new
8 Install plug valve (20) in body (7).
preformed packing (32) on check valve
9 Install new preformed packing (21) and
(33).
new packing retainer (22) in body (7).
13 Install check valve (33) in body (7).
10 Install spacer (23), washer (24), helical
spring (25), spacer (26), and retaining
ring (27) on spool (28).
INSTALLATION
Install turret traverse control directional linear
valve (1), three hexagon head capscrews (2),
three new Iockwashers (3), and three hex-
agon plain nuts (4).
2-221